Пульт управления высоковольтным выключателем ПУВ-10 предназначен для управления пуском выключателей путем автоматической подачи на катушки электромагнитов командных импульсов.
Отличительными свойствами ПУВ-10 являются:
- Широкий диапазон и высокая точность задания временных интервалов;
- Высокая надежность и большой срок службы;
- Многократно резервированные меры безопасности;
- Некритичность к ошибкам подключения и управления при эксплуатации.
Благодаря этим свойствам пульт может применяться не только при контроле выключателей, но и для управления разнообразными активно-индуктивными нагрузками во многих приложениях.
В ПУВ-10 запрограммировано 8 простых и сложных циклов:
- О
- В
- ВО
- О-Тбт-В
- О-Тбт-ВО
- О- Тбт -ВО-180с-ВО
- О- Тбт -ВО-20с-ВО
- О-180с-ВО-180с-ВО
Пользователю необходимо лишь вызвать требуемый цикл на жидкокристаллический индикатор посредством кнопок и задать длительности операций "В" и "О" и пауз в цикле. Можно так же запрограммировать неоднократное (до 9 раз) повторение одного и того же цикла. Набранные один раз длительности далее сохраняются в энергонезависимой памяти, что существенно упрощает дальнейшее пользование пультом.
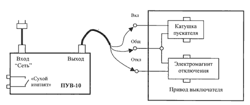
При работе вход пульта подключается к сети питания выключателей, выход "Откл." - к катушке электромагнита отключения, выход "Вкл." - к катушке электромагнита включения или контактора, выход "Общ." - к общей точке соединения катушек в соответствии со схемой рис.1.
Рис.1. Схема подключения ПУВ-10 к приводу выключателя
При оценке правильности функционирования блокировочных контактов выходы "Откл." и "Вкл." присоединяются к катушкам не непосредственно, а через соответствующие блокировочные контакты.
Питание пульта осуществляется от того же напряжения, которое коммутируется его ключами со входа на оба выхода. Благодаря этому отпадает необходимость во втором источнике напряжения, а специально разработанный блок питания пульта с очень широким диапазоном питающих напряжений позволяет снизить нижний предел коммутируемого напряжения до 50 В постоянного и 45 В переменного.
Дополнительный выход "сухой контакт" дает возможность управлять вспомогательным внешним устройством. Выход замыкается заблаговременно до появления первого ("О" или "В") импульса цикла и размыкается через 200 мс после окончания последнего. Величина заблаговременности программируется пользователем в пределах 0,06...9,99 с. На рис. 2 в качестве примера показано подключение к пульту сирены для заблаговременной подачи звукового предупредительного сигнала при контроле воздушных выключателей.
Рис.2. Схема подключения сирены к ПУВ-10
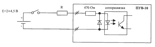
Для дистанционного запуска пульта, например, в целях безопасности, служит вход "Внешний запуск" (рис. 3). Вход гальванически развязан от схемы пульта и позволяет запускать пульт от обычной батарейки напряжением 2...4,5 В.
Рис.3. Схема внешнего пуска ПУВ-10
Модификация ПУВ-10 с функцией "Внешний запуск" оговаривается при заказе.
Каждый из трех выходов ("Вкл.", "Откл." и "Общ.") коммутируется собственным ключом, имеющим быстродействующую защиту по току. При возрастании в любой цепи тока на 40-50% выше заданного максимального значения защита разрывает эту цепь за время не более 10 мкс. Тем самым гарантируется защита от всех видов короткого замыкания вследствие ошибок подключения. При устранении ошибки тотчас же возможна повторная работа пульта без какого-либо восстановительного ремонта типа замены плавких предохранителей и т.п. А малая кратность уставки защиты исключает перегрузки и помехи в сети. Для ограничения величины перенапряжений, возникающих при коммутации цепей, служат варисторы.
Коммутация всех трех выходов позволяет запитывать пульт как от сети с изолированной, так и с глухо заземленной нейтралью, не опасаясь, что неправильная полюсовка проводов создаст угрозу безопасности, когда, например, на общем проводе окажется "фаза" сети.
Каждый из ключей коммутатора представляет собой комбинацию контактного (реле) и бесконтактного ключей. Бесконтактный ключ имеет схему обнаружения недопустимо большого значения тока утечки с сигнализацией на индикаторе и блокировкой запуска пульта. Повышенная утечка диагностируется еще до запуска пульта, сразу же после подачи напряжения питания, когда все выходы еще отключены через контактные ключи. Все эти меры обеспечивают чрезвычайно высокий уровень безопасности в эксплуатации как для персонала, так и для управляемого оборудования.
Основные технические характеристики прибора ПУВ-10:
| Параметр |
Значение |
Входное напряжение питания, В: - постоянное - переменное 50 Гц |
50 - 300 55 - 242 |
| Максимальный ток нагрузки, А |
10 |
| Падение напряжения на внутренних элементах пульта при максимальном токе не более, В |
12 |
| Напряжение и ток через "сухой контакт", В и А |
240 и 10 |
| Дискретность задания временных интервалов, мс |
10 |
| Диапазон программирования времени отключения, включения, мс |
10 - 990 |
| Диапазон программирования бестоковой паузы, Тбт мс |
0 - 9990 |
| Диапазон программирования задержки отключения, Тзо мс |
10 - 990 |
| Предел абсолютной погрешности задания интервалов времени, мс |
±(2+0,01 Тх) |
| Интервал времени между циклами в серии, с |
10 ±2 |
| Интервал времени между повторными пусками пульта, с |
10 ±2 |
| Уставка срабатывания токовой защиты,А |
16 - 18 |
| Габариты (ШхДхВ), мм |
150х200х75 |
| Вес, кг |
1,5 |
| Диапазон рабочих температур, °С |
от -20 до +35 |